
新芝阿弗斯生產銷售的高低溫控溫系統質量可靠,性能優越,具備高精度智能溫度控制,溫度控制范圍從-120℃至350℃應有盡有,能夠滿足絕大部分企業的恒溫控制需求。本設備控溫精度高達±0.1℃,制冷功率0.25kW到95kW、加熱功率2.5kW~95kW均有對應型號產品供應。
介質溫度范圍:-25℃~200℃
循環泵流量:30 ~ 400L/min(最大)
循環泵壓力:1.5 ~ 2.5bar
導熱介質接口尺寸:DN15 ~ DN50
總功率范圍:4 ~ 120kW(最大)
| 產品型號 | HL25-220 | HL35-220 | HL55-220 | HL75-220 | HL100-220 | HL150W-220 | HL250W-220 | HL380W-220 | HL600W-220 | HL950W-220 | |
| 加熱功率 | 2.5kW | 3.5kW | 5.5kW | 7.5kW | 10kW | 15kW | 25kW | 38kW | 60kW | 95kW | |
| 制冷功率 | 200℃ | 2.5kW | 3.5kW | 5.5kW | 7.5kW | 10kW | 15kW | 25kW | 38kW | 60kW | 95kW |
| 100℃ | 2.5kW | 3.5kW | 5.5kW | 7.5kW | 10kW | 15kW | 25kW | 38kW | 60kW | 95kW | |
| 20℃ | 2.5kW | 3.5kW | 5.5kW | 7.5kW | 10kW | 15kW | 25kW | 38kW | 60kW | 95kW | |
| -5℃ | 2kW | 3kW | 4.5kW | 6.6kW | 8kW | 12kW | 19kW | 30kW | 46kW | 70kW | |
| -20℃ | 1.0kW | 1.8kW | 2.8kW | 3.8kW | 4.6kW | 7kW | 12kW | 16kW | 22kW | 32kW | |
| 產品型號 | HL25-420 | HL35-420 | HL55-420 | HL75-420 | HL100-420 | HL150W-420 | HL250W-420 | HL380W-420 | HL600W-420 | HL950W-420 | |
| 加熱功率 | 2.5kW | 3.5kW | 5.5kW | 7.5kW | 10kW | 15kW | 25kW | 38kW | 60kW | 95kW | |
| 制冷功率 | 200℃ | 2.5kW | 3.5kW | 5.5kW | 7.5kW | 10kW | 15kW | 25kW | 38kW | 60kW | 95kW |
| 20℃ | 2.5kW | 3.5kW | 5.5kW | 7.5kW | 10kW | 15kW | 25kW | 38kW | 60kW | 95kW | |
| 0℃ | 2kW | 3kW | 5kW | 7kW | 10kW | 15kW | 25kW | 38kW | 60kW | 95kW | |
| -20℃ | 0.9kW | 1.5kW | 2.9kW | 4.2kW | 6kW | 11kW | 16kW | 26kW | 34kW | 50kW | |
| -35℃ | 0.25kW | 0.45kW | 0.9kW | 1.5kW | 2kW | 3.8kW | 4.7kW | 9kW | 12kW | 18kW | |
| 產品型號 | HL25W-620 | HL35W-620 | HL55W-620 | HL75W-620 | HL100W-620 | HL150W-620 | HL250W-620 | HL380W-620 | HL600W-620 | HL950W-620 | |
| 加熱功率 | 2.5kW | 3.5kW | 5.5kW | 7.5kW | 10kW | 15kW | 25kW | 38kW | 60kW | 95kW | |
| 制冷功率 | 200℃ | 2.5kW | 3.5kW | 5.5kW | 7.5kW | 10kW | 15kW | 25kW | 38kW | 60kW | 95kW |
| 100℃ | 2.5kW | 3.5kW | 5.5kW | 7.5kW | 10kW | 15kW | 25kW | 38kW | 60kW | 95kW | |
| 20℃ | 2.5kW | 3.5kW | 5.5kW | 7.5kW | 10kW | 15kW | 25kW | 38kW | 60kW | 95kW | |
| -40℃ | 0.95kW | 1.45kW | 2.3kW | 3.1kW | 4.8kW | 7.75kW | 18kW | 22kW | 30kW | 45kW | |
| -55℃ | 0.25kW | 0.5kW | 0.75kW | 0.9kW | 1.5kW | 2.8kW | 6kW | 7.5kW | 11kW | 15kW | |
| 產品型號 | HL25W-820 | HL35W-820 | HL55W-820 | HL75W-820 | HL100W-820 | HL150W-820 | HL250W-820 | HL380W-820 | HL600W-820 | HL950W-820 | |
| 加熱功率 | 2.5kW | 3.5kW | 5.5kW | 7.5kW | 10kW | 15kW | 25kW | 38kW | 60kW | 95kW | |
| 制冷功率 | 200℃ | 2.5kW | 3.5kW | 5.5kW | 7.5kW | 10kW | 15kW | 25kW | 38kW | 60kW | 95kW |
| 100℃ | 2.5kW | 3.5kW | 5.5kW | 7.5kW | 10kW | 15kW | 25kW | 38kW | 60kW | 95kW | |
| 20℃ | 2.5kW | 3.5kW | 5.5kW | 7.5kW | 10kW | 15kW | 25kW | 38kW | 60kW | 95kW | |
| -60℃ | 1.0kW | 1.4kW | 1.6kW | 3.0kW | 3.3kW | 5.8kW | 10kW | 16kW | 23kW | 32kW | |
| -75℃ | 0.3kW | 0.42kW | 0.7kW | 1.3kW | 1.4kW | 2.4kW | 5kW | 8kW | 11kW | 14kW | |
| 產品型號 | HL35-1010 | HL55W-1010 | HL75W-1010 | HL100W-1010 | HL150W-1010 | HL250W-1010 | HL380W-1010 | |
| 加熱功率 | 3.5kW | 5.5kW | 7.5kW | 10kW | 15kW | 25kW | 38kW | |
| 制冷功率 | 100℃ | 3.5kW | 5.5kW | 7.5kW | 10kW | 15kW | 25kW | 38kW |
| 20℃ | 3.5kW | 5.5kW | 7.5kW | 10kW | 15kW | 25kW | 38kW | |
| -80℃ | 1.9kW | 2.8kW | 3.3kW | 4.1kW | 5.5kW | 8.2kW | 11.6kW | |
| -95℃ | 0.45kW | 0.7kW | 0.9kW | 1.2kW | 1.6kW | 2.2kW | 3kW | |
| 產品型號 | HL25-220-2T | HL35-220-2T | HL55-220-2T | HL75-220-2T | HL100-220-2T | HL150-220-2T | HL250-220-2T | HL380-220-2T | HL600-220-2T | HL950-220-2T | |
| 加熱功率 | 2.5kW | 3.5kW | 5.5kW | 7.5kW | 10kW | 15kW | 25kW | 38kW | 60kW | 90kW | |
| 制冷能力 | 200℃ | 2.5kW | 3.5kW | 5.5kW | 7kW | 10kW | 15kW | 25kW | 38kW | 60kW | 90kW |
| 100℃ | 2.5kW | 3.5kW | 5.5kW | 7kW | 10kW | 15kW | 25kW | 38kW | 60kW | 90kW | |
| 20℃ | 2kW | 3kW | 5kW | 6kW | 8.5kW | 11kW | 18kW | 26kW | 42kW | 68kW | |
| -5℃ | 1.5kW | 2.5kW | 3kW | 5kW | 7kW | 7.5kW | 13kW | 18kW | 30kW | 50kW | |
| -20℃ | 1kW | 1.6kW | 2kW | 3kW | 3.6kW | 4.5kW | 7.5kW | 11kW | 18kW | 26kW | |
1.操作面板:7英寸彩色觸摸屏,溫度曲線顯示、記錄;
2.控溫對象:物料溫度控制與導熱介質出口溫度控制可自由選擇;
3.溫差控制:反應釜夾套溫度與物料溫度的溫差可控制、可設定;
4.程序編輯:可編制5條程序,每條程序可編制30段步驟;
5.高溫直降:高溫降溫技術,300℃直接開啟壓縮機制冷降溫;
6.溫度反饋:設備導熱介質 本機溫度、出口溫度、反應器物料溫度(外接溫度傳感器)三點溫度PT100;
7.循環泵:采用磁力驅動泵,沒有軸封泄漏問題;
8.安全保護:具有自我診斷功能;冷凍機過載保護、高壓壓力開關、過載繼電器、熱保護裝置、低液位保護、高溫保護、傳感器故障保護等多種安全保障功能;
9.密閉循環系統:整個系統為全密閉系統,高溫時不會有油霧、低溫不吸收空氣中水分,系統在運行中不會因為高溫使壓力上升,低溫自動補充導熱介質。

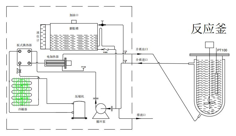
高低溫控溫裝置由循環泵、加熱管、壓縮機、冷凝器、風機、干燥過濾器、膨脹閥、蒸發器、氣液分離器、傳感器、介質壓力表、回熱器、膨脹容器、控制器等部件構成。集成了多項先進技術,以確保在廣泛的溫度范圍內實現卓越的溫度控制性能。系統運作基于一個精細協調的制冷與加熱循環,核心部件協同工作,確保溫度精準調節。
工作流程始于控制器接收到設定溫度信號后,指揮循環泵推動介質(如導熱油或特殊冷卻液)在整個系統中循環。需降溫時,壓縮機啟動,將制冷劑壓縮成高溫高壓氣體,隨后在冷凝器中釋放熱量給外界,冷凝成高壓液體。借助干燥過濾器凈化后,高壓液體經過膨脹閥迅速降壓、降溫,進入蒸發器。在此,低溫低壓的制冷劑吸收介質中的熱量蒸發,實現高效降溫,同時,風機促進熱交換,增強冷卻效率。當需要加熱時,加熱管在控制器指令下啟動,利用電熱原理直接對循環介質加熱,溫度傳感器持續監測并反饋至控制器,確保溫度穩定上升至設定點。系統內設的氣液分離器、回熱器和膨脹容器等組件,優化制冷劑狀態,減少能耗,提升系統響應速度。
整個過程中,介質壓力表監測系統壓力,確保安全運行,而膨脹容器則平衡壓力波動,提升系統穩定性。通過這一系列復雜而精細的調控機制,本系統得以在實驗、工業生產等多領域,提供穩定可靠的溫控解決方案。


1.采用全密閉管道式設計,降低導熱液需求量的同時,提高系統的熱量利用率,達到快速升降溫的目的;
2.高溫降溫技術,300℃直接開啟壓縮機制冷降溫;
3.膨脹容器中的導熱介質不參與循環,可以降低導熱介質在運行中吸收水分和揮發的風險;
4.高溫時沒有導熱介質蒸發出來,而且不需要加壓的情況下就可以實現:-80~190℃、-70~220℃、-88~170℃、-55~250℃、-30~300℃連續控溫。



高低溫控溫設備被廣泛應用于多種反應裝置中,如反應釜、反應器(如微通道反應器、玻璃反應器和夾套反應器)、蒸餾系統、萃取系統等,以實現精確的制冷與加熱控制。這種設備在高等院校、科研實驗室、汽車制造、制藥工業、石油化工、半導體及電子產品測試、生物化學以及航空航天等多個行業領域內發揮著重要的作用。
新芝阿弗斯高低溫控溫系統使用說明書PDF(右鍵另存為)
寧波新芝阿弗斯恒溫設備有限公司是北交所上市公司“新芝生物”的控股子公司。專注于研發、生產和銷售高品質的工業控溫設備及制冷設備,可提供溫控場景一體化解決方案。憑借在恒溫技術領域的深厚專業知識積累與持續創新,公司在業內迅速崛起,現已成為行業內的創業新星。
公司產品線涵蓋了各種類型的恒溫設備,包括但不限于:高低溫控溫系統、加熱控溫系統、制冷控溫系統、超低溫冷凍機等,公司不僅提供高質量的產品,還提供全面的服務支持,包括定制解決方案、安裝調試、維修保養以及應用咨詢等。
公司堅持以科技為中心,應用先進技術,不斷鑄新淘舊,緊隨市場步伐,滿足市場需求。在超低溫、高低溫開發方面擁有多位高素質專業技術人員及經驗豐富的研發團隊。在-150℃超低溫的快速制冷技術以及高低溫快速升降溫技術等方面均處于同行業先進水平。設備產品的溫度范圍為-150℃~350℃。
目前公司的品牌產品服務于電子、化工、醫藥、食品加工等多個行業領域的相關知名企業及高校科研院所,如浙江工業大學、寧波大學、西北大學、鎮海煉化、齊魯制藥、萬華化學等。

訂購產品:前期技術參數對接電話或上門、客戶可根據參數選定畫冊常規設備,也可按照客戶需求非標定制。
交貨日期:交貨期因客戶訂購型號和數量而異。對于常規產品,我們有原材料備貨,交期較短7-15天內;定制產品交期30-45天內,我們將全力縮短交期。
付款方式:我們遵循合同約定,接受多種付款方式。
物流配送:我們根據客戶需求選擇最合適的配送方案。
產品包裝:我們提供標準木箱包裝,具體包裝方式根據產品型號尺寸決定;此外,我們還提供定制包裝服務,確保產品順利送達客戶手中。
24小時服務熱線 18966201851